HOME > PRODUCTS > DIAPHRAGM ACCUMULATOR
DIAPHRAGM ACCUMULATOR
MODEL SPECIFICATION

11.jpg

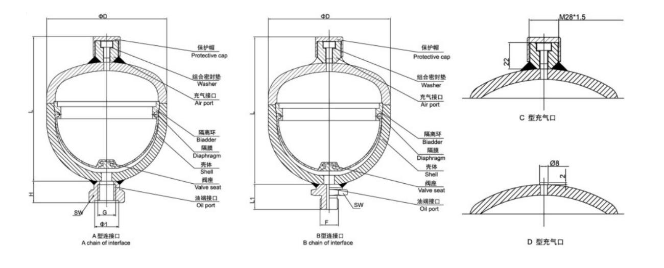
OVERALL DIMENSIONS

22.jpg

SPECIFICATION

33.jpg44.jpg